工业吸尘车电器控制系统组成及原理图
工业吸尘车电器装置主要用于控制液压系统中的电控阀和副发动机的电气控制,提供原理图(如图1)。

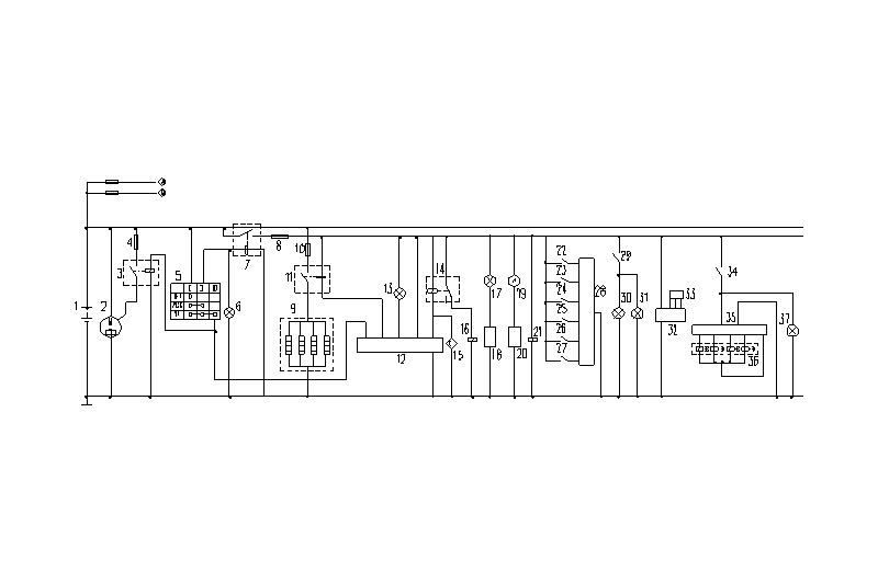
图1
工业吸尘车电器控制系统组成:1.原底盘蓄电池组 2.副发动机起动机 3.副发动机起动继电器 4.起动继电器保险丝(30A) 5.点火开关 6.控制盒电源指示灯 7.控制盒电源继电器 8.控制盒线路保险丝(30A) 9.副发动机预热塞 10.副发动机预热塞 11.副发动机预热保险丝(30A) 12.副发动机预热控制单元 13.副发动机预热指示灯 14.副发动机CSD电磁阀继电器 15.副发动机水温传感器 16.副发动机CSD电磁阀 17.副发动机机油压力指示灯 18.副发动机机油压力传感器 19.副发动机水温表 20.副发动机水温感应塞 21.副发动机燃油切断电磁阀 22.厢体举升开关 23.厢体下降开关 24.后门开启开关 25.后门关闭开关 26.主吸尘口举升开关 27.主吸尘口下降开关 28.液压系统继电器组 29. 灯开关 30. 灯 31. 灯指示灯 32.风机转速表 33.转速感应塞 34.反吹系统开关 35.反吹系统脉冲控制仪 36.反吹系统电磁阀组 37.反吹系统指示灯
注:该工业吸尘车电气原理图仅为改装部分所用的电路,原底盘的电气部分经1、2两条线引出,其详细线路布置省略。









